Back to top

Мы работаем в дистанционном режиме. Все заказы доставляются почтовой службой. 

Фактический адрес нашего интернет-магазина: г.Москва, Дмитровкое ш., 46 к2, стр2, оф110

Механизм в сборе RONDA 706.1 AIG1 С лунным календарем, 2 окошка (на 3 и 9 часов) Normtech

Механизм в сборе RONDA 706.1 AIG1 С лунным календарем, 2 окошка (на 3 и 9 часов) Normtech

Бренд
Ronda (Швейцария)
Артикул
M-RDP706.1
Тех. документация
Техническая информация.pdf

Ronda Normtech
Калибр 10 1/2
Высота:    3.00mm
Стрелки:    120/70/20
Элемент питания:    371 (920)
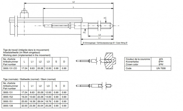
Переводной вал: 3000.131 (0.9мм)

Бренд
Ronda (Швейцария)
Артикул
M-RDP706.1
Набор
Нет
Комплект
Нет